Seite 1 von 1
Was ist bei der Planung von Anti-Panik Zylindern besonders zu beachten ?
Verfasst: 16 Jan 2019 08:04
von h-winkelmann
Gibt es eine Besonderheit die Anti-Panik Zylinder von den Standard-Zylindern mit elektronischem Knauf (elKZ) unterscheidet ?
Re: Was ist bei der Planung von Anti-Panik Zylindern besonders zu beachten ?
Verfasst: 16 Jan 2019 08:39
von h-winkelmann
Standard elKZ
Bei den Standard-Zylindern ist bei BCM die
Reihenfolge der Maßangabe immer
kleineres Maß -
größeres Maß. Das entkoppelt die Maße von der Funktion AA oder BB. Diese Entkopplung ermöglicht die Halbierung der zu verwaltenden Anzahl von Artikeln ! Das geht nur, weil die
beide Seiten des elektronischen Knaufzylinders mit dem Innen-
oder Außenknauf
bestückt werden können.
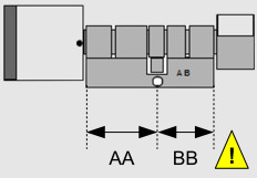
Besonderheit = Innenknauf fest montiert

- elKZ_AntiPanikWichtig.jpg (7.07 KiB) 5743 mal betrachtet
Für Anti-Panik Zylinder gilt diese Entkopplung nicht ! Bei diesen Zylindern ist der
Innenknauf immer mit dem
BB Maß unlösbar verbunden !
Auf diese Tatsache muss bei der
Planung der Maße AA und BB und dann auch bei der
Weitergabe unbedingt geachtet werden !
Schlagworte: SlWRev4A Sprache:{xSpracheDeutsch} Dokumentation >>> Planungshilfen:{xGRPLHi}{xPLHiCheckliste}