Wie können Türen mit G.U-SECURY Automatic A-Öffner angesteuert werden ?
Moderator: h-winkelmann
- h-winkelmann
- Beiträge: 2846
- Registriert: 01 Aug 2012 18:16
Wie können Türen mit G.U-SECURY Automatic A-Öffner angesteuert werden ?
Wie ist die Anschaltung von Türen mit dem G.U-SECURY Automatic A-Öffner zu realisieren ?
Mach Produkte so gut wie notwendig, mehr ist Luxus den keiner bezahlt.
- h-winkelmann
- Beiträge: 2846
- Registriert: 01 Aug 2012 18:16
Re: Wie können Türen mit G.U-SECURY Automatic A-Öffner angesteuert werden ?
Funktionalität
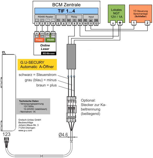
Die Anschaltung erfolgt wie im nachfolgenden Bild dargestellt. Dabei ist die Ausführung fast mit der Anschaltung des MEDIATORS von effeff identisch. Konfiguration
Impulsbetrieb: das Relais wird für 1-3s aktiviert und steuert damit die Öffnung der Türverriegelung. Die Tür bleibt bis zum Wiederverschließen entriegelt.
Dauerbetrieb: das Relais wird für die Dauer der Entriegelung aktiviert. Diese Betriebsart ist laut Hersteller des G.U-SECURY Automatic A-Öffner zulässig. Die Aktivierung erfolgt über einen automatischen Zeitplan oder den Wechselbetrieb in der Zutrittsgruppe.
Seiteneffekte
Andere Konfiguration
(keine)
Schlagworte: SlWRev4A
Sprache:{xSpracheDeutsch}Dokumentation >>>Planungshilfen:{xGRPLHi}{xPLHiGundSchBild}Projektschritt:{xGRPrjSt}{xPlanung xPS2}{xErrichtung xPS3}
Artikel >>> FunktErw:{xGRFEW}{xFEWSchlossElMech}
Die Anschaltung erfolgt wie im nachfolgenden Bild dargestellt. Dabei ist die Ausführung fast mit der Anschaltung des MEDIATORS von effeff identisch. Konfiguration
Impulsbetrieb: das Relais wird für 1-3s aktiviert und steuert damit die Öffnung der Türverriegelung. Die Tür bleibt bis zum Wiederverschließen entriegelt.
Dauerbetrieb: das Relais wird für die Dauer der Entriegelung aktiviert. Diese Betriebsart ist laut Hersteller des G.U-SECURY Automatic A-Öffner zulässig. Die Aktivierung erfolgt über einen automatischen Zeitplan oder den Wechselbetrieb in der Zutrittsgruppe.
Seiteneffekte
- Es wird ein externes Netzgerät für die Versorgung benötigt ! Der 1A Nennstrom wird mit einem nicht spezifizierten Einschaltspitzenstrom behaftet sein. Daher kann das Netzgerät der Zentrale dafür nicht verwendet werden.
- Für die Berechnung des Leitungsquerschnittes zur Versorgung des A-Öffners kann die Planung aus diesem Beitrag herangezogen werden.
- Für die Einbindung in ein USV Konzept gelten diese Hinweise
Andere Konfiguration
(keine)
Schlagworte: SlWRev4A
Sprache:{xSpracheDeutsch}Dokumentation >>>Planungshilfen:{xGRPLHi}{xPLHiGundSchBild}Projektschritt:{xGRPrjSt}{xPlanung xPS2}{xErrichtung xPS3}
Artikel >>> FunktErw:{xGRFEW}{xFEWSchlossElMech}
Mach Produkte so gut wie notwendig, mehr ist Luxus den keiner bezahlt.