Wie können Türen mit SafeMatic und InterLock 263 018 angesteuert werden ?
Moderator: h-winkelmann
- h-winkelmann
- Beiträge: 2846
- Registriert: 01 Aug 2012 18:16
Wie können Türen mit SafeMatic und InterLock 263 018 angesteuert werden ?
Wie ist die Anschaltung von Türen mit SafeMatic / Interlock von Firma SCHÜCO zu realisieren ?
Mach Produkte so gut wie notwendig, mehr ist Luxus den keiner bezahlt.
- h-winkelmann
- Beiträge: 2846
- Registriert: 01 Aug 2012 18:16
Re: Wie können Türen mit SafeMatic und InterLock 263 018 angesteuert werden ?
Funktionalität
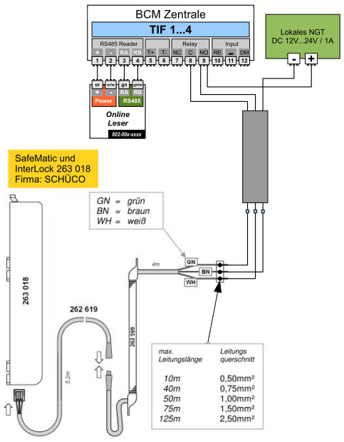
Die Anschaltung erfolgt wie im nachfolgenden Bild dargestellt. Datenblätter des Herstellers: hier ansehen
Konfiguration
Impulsbetrieb: das Relais wird für 5s aktiviert und aktiviert damit die Entriegelung. In dieser Zeit kann die Tür geöffnet werden. Die Verriegelung erfolgt automatisch nach kurzer Zeit.
Dauerbetrieb: das Relais wird für die Dauer der Entriegelung aktiviert. Diese Betriebsart ist laut Hersteller zulässig. Die Aktivierung erfolgt über einen automatischen Zeitplan oder den Wechselbetrieb in der Zutrittsgruppe.
Seiteneffekte
Andere Konfiguration
( keine)
Schlagworte: SlWRev4A
Sprache:{xSpracheDeutsch}Dokumentation >>>Planungshilfen:{xGRPLHi}{xPLHiGundSchBild}Projektschritt:{xGRPrjSt}{xPlanung xPS2}{xErrichtung xPS3}
Artikel >>> FunktErw:{xGRFEW}{xFEWSchlossElMech}
Die Anschaltung erfolgt wie im nachfolgenden Bild dargestellt. Datenblätter des Herstellers: hier ansehen
Konfiguration
Impulsbetrieb: das Relais wird für 5s aktiviert und aktiviert damit die Entriegelung. In dieser Zeit kann die Tür geöffnet werden. Die Verriegelung erfolgt automatisch nach kurzer Zeit.
Dauerbetrieb: das Relais wird für die Dauer der Entriegelung aktiviert. Diese Betriebsart ist laut Hersteller zulässig. Die Aktivierung erfolgt über einen automatischen Zeitplan oder den Wechselbetrieb in der Zutrittsgruppe.
Seiteneffekte
- Es wird ein externes Netzgerät für die Versorgung benötigt ! Der 1A Nennstrom wird mit einem nicht spezifizierten Einschaltspitzenstrom behaftet sein. Daher kann das Netzgerät der Zentrale dafür nicht verwendet werden.
- Für die Berechnung des Leitungsquerschnittes zur Versorgung des A-Öffners kann die die Tabelle im Bild verwendet werden.
- Für die Einbindung in ein USV Konzept gelten diese Hinweise
Andere Konfiguration
( keine)
Schlagworte: SlWRev4A
Sprache:{xSpracheDeutsch}Dokumentation >>>Planungshilfen:{xGRPLHi}{xPLHiGundSchBild}Projektschritt:{xGRPrjSt}{xPlanung xPS2}{xErrichtung xPS3}
Artikel >>> FunktErw:{xGRFEW}{xFEWSchlossElMech}
Mach Produkte so gut wie notwendig, mehr ist Luxus den keiner bezahlt.